一、概述

  防爆阀广泛适用于建材、冶金、化工、电工等行业部门,作为压缩易爆管道的卸压装置。防爆阀特别适用于煤磨系统及存放易燃易爆气体物质的仓库使用。
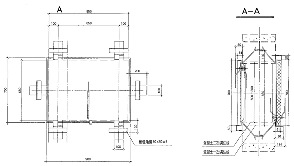
  防爆阀结构简单,由钢制焊接筒体和防爆阀片组成。当系统压力大于表压力时,防爆阀片自行破裂,防止系统发生爆炸,以保证人身和生产安全。
二、  技术参数表
| 适用介质 | 适用温度 | 使用压力 | 
| 压缩易爆气体 | ≤ | ≤0.1MPa | 

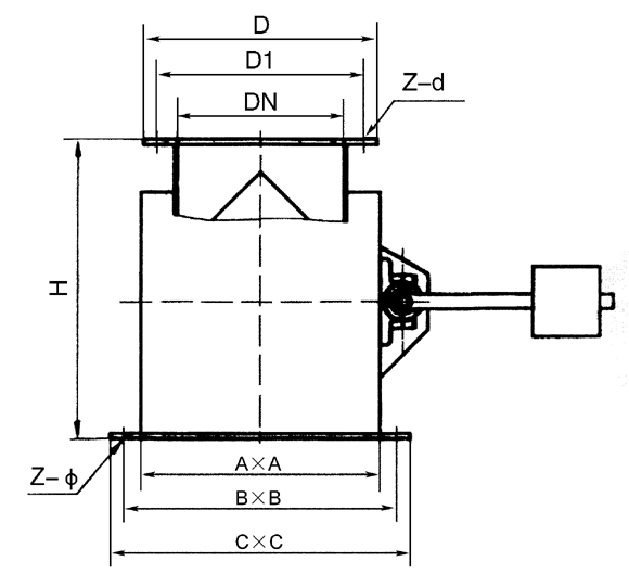
主要外形连接尺寸
| A×A | B×B | C×C | H | n-d | 重量(kg) | DN | D | D1 | H | N-D | 重量(kg) | 
| 200×200 | 270×270 | 305×305 | 220 | 8-Φ18 | 40 | 200 | 305 | 270 | 220 | 9-Φ18 | 37 | 
| 250×250 | 335×335 | 370×370 | 250 | 12-Φ18 | 48 | 250 | 370 | 335 | 250 | 12-Φ18 | 44 | 
| 300×300 | 385×385 | 425×425 | 300 | 12-Φ18 | 54 | 300 | 425 | 385 | 300 | 12-Φ18 | 55 | 
| 350×350 | 435×435 | 477×477 | 350 | 12-Φ18 | 67 | 350 | 477 | 435 | 350 | 12-Φ18 | 65 | 
| 400×400 | 490×490 | 536×536 | 400 | 12-Φ18 | 85 | 400 | 536 | 490 | 400 | 12-Φ18 | 82 | 
| 450×450 | 540×540 | 588×588 | 450 | 16-Φ18 | 99 | 450 | 588 | 540 | 450 | 16-Φ18 | 94 | 
| 500×500 | 600×600 | 649×649 | 500 | 16-Φ18 | 112 | 500 | 649 | 600 | 500 | 16-Φ18 | 108 | 
| 600×600 | 700×700 | 750×750 | 550 | 16-Φ18 | 152 | 600 | 750 | 700 | 550 | 16-Φ18 | 142 | 
| 700×700 | 800×800 | 850×850 | 550 | 16-Φ18 | 204 | 700 | 850 | 800 | 550 | 16-Φ18 | 180 | 
| 800×800 | 900×900 | 950×950 | 600 | 20-Φ18 | 228 | 800 | 950 | 900 | 600 | 20-Φ18 | 202 | 



















