生料分配器
销售热线: (0)189 0627 1888          联系人: 胡先生         传真: 0513-8844 8088
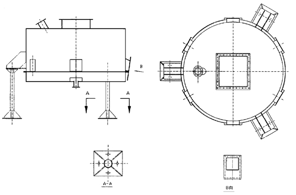
生料分配器是水泥工业气动化装置,主要用在分配干燥粉状物料,它适用于输送设备的中间分料及库顶物料分配。可根据工艺要求生产二嘴、六嘴、八嘴,出料嘴斜度可按工艺在6°至14°范围内选择。生料分配器适用天大、中、小型水泥厂分配水泥、生料之用。
技术参数表
| 型号(mm) | 生料通过能力(t/h) | 风压(mmH2O) | 风量(m3/min) | |
| Φ800 | 6嘴 | <120 | 700 | 2 | 
| 8嘴 | <140 | 2.5 | ||
| Φ1000 | 6嘴 | 75~130 | 700 | 3 | 
| 8嘴 | 90~150 | 4 | ||
| Φ1200 | 6嘴 | 130~150 | 700 | 4.5 | 
| 8嘴 | 150~180 | 5 | ||
| Φ1600 | 6嘴 | >150 | 700 | 7 | 
| 8嘴 | >180 | 8 | ||

上一页:[均化系列]
下一页:空气输送斜槽
关键字:生料分配器 
产品别名:
相关产品:生料分配器



















